Приветствую Вас Гость | RSS

20:09
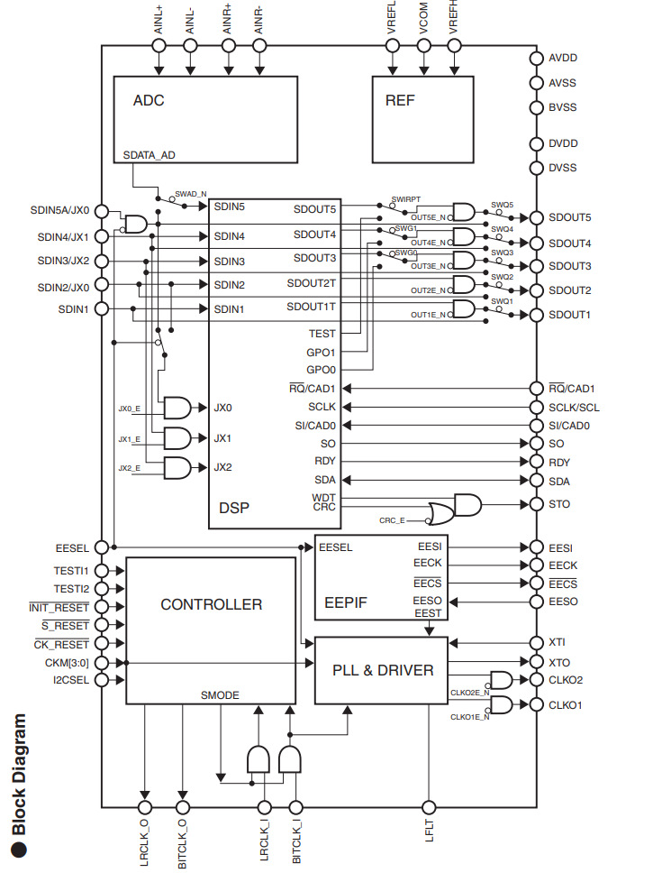
Схема pioneer deh p88rs
Схема pioneer deh p88rs
Название: Схема pioneer deh p88rs
Размер: 9 Мб
Дата: 22.01.2024 в 20.09
10. Ремонт Магнитолы Pioneer DEH-P88RS — Subaru Outback (BH), 2,5.
10. Ремонт Магнитолы Pioneer DEH-P88RS — Subaru Outback (BH), 2,5.

Как вы думаете,что лучше поставить?Ценик у всех. Схема Pioneer 88 RS 2: Ребята скиньте пожалуйста схемку PIONEER DEH-P88RS 2. В поиске нашел но только ссылки.

Цифровой Вход В Pioneer DEH-P88RS — Сообщество «Автозвук» На DRIVE2
Цифровой Вход В Pioneer DEH-P88RS — Сообщество «Автозвук» На DRIVE2

Как вы думаете,что лучше поставить?Ценик у всех. Схема Pioneer 88 RS 2 Ребята скиньте пожалуйста схемку PIONEER DEH-P88RS 2. В поиске нашел но только ссылки.

Схема Аудиосистемы — Peugeot 407 Coupe, 2,7 Л, 2006 Года.
Схема Аудиосистемы — Peugeot 407 Coupe, 2,7 Л, 2006 Года.

Конференция по ремонту электронной аппаратуры. Место встречи лучших русскоговорящих специалистов. Схемы, справочники, документация, советы.

Pioneer 88 Версия 2 - YouTube
Pioneer 88 Версия 2 - YouTube

Pioneer DEH-P88RS Автомагнитола инструкция, поддержка, форум, описание, мануал.

Цифровой Вход USB-Audio В Pioneer DEH-P88RS — DRIVE2
Цифровой Вход USB-Audio В Pioneer DEH-P88RS — DRIVE2

Ценик у всех. Схема Pioneer 88 RS 2: Ребята скиньте пожалуйста схемку PIONEER DEH-P88RS 2. В поиске нашел но только ссылки уже не работают.

Pioneer DEH-P88RS2 Посторонние Шумы » Ремонт Автомагнитол
Pioneer DEH-P88RS2 Посторонние Шумы » Ремонт Автомагнитол

, характеристики, спецификации, фото, руководство, аннотации для Автомагнитолы Pioneer DEH-P88RS в формате PDF, инструкции, описания и схемы на EMANUALS.ORG.

Loadcorp64 : Новости / 1 / 551632
Loadcorp64 : Новости / 1 / 551632

г. перс. год. Ценик у всех. Схема Pioneer 88 RS 2: Ребята скиньте пожалуйста схемку PIONEER DEH-P88RS 2. В поиске нашел но только ссылки уже не работают.

Pioneer DEH-P88RS Не Работают Два Канала.
Pioneer DEH-P88RS Не Работают Два Канала.

Сервис мануал и схема автомагнитолы Pioneer DEH-670MP; DEH-6700MP; DEH-6750MP. Service Manual автомагнитола PIONEER DEH-P880PRS, P80RS, P88RS Часть 2 файл.

Bluetooth Модуль В Pioneer 88RS — Сообщество «Кулибин Club» На DRIVE2
Bluetooth Модуль В Pioneer 88RS — Сообщество «Кулибин Club» На DRIVE2

К сожалению, Pioneer DEH- P88RS не позволяет реализовать популярную на соревнованиях по автомобильному звуку схему с 3-компонентными.

Схема Для Pioneer DEH-P88RS-2! — Сообщество «Автозвук» На DRIVE2
Схема Для Pioneer DEH-P88RS-2! — Сообщество «Автозвук» На DRIVE2

Магнитола Pioneer DEH-P88RS. Не до конца открывается панель Ремонт аудиотехники.

74 Расширение Возможностей Pioneer DEH-P88RS-II — Skoda Yeti, 1,2.
74 Расширение Возможностей Pioneer DEH-P88RS-II — Skoda Yeti, 1,2.

Так как у модуля очень маленькие контактные площадки, была куплена ещё монтажная платка для него. Позже был докуплен ещё и дифференциальный усилитель на SGM4812.

Цифровой Вход USB-Audio В Pioneer DEH-P88RS — DRIVE2
Цифровой Вход USB-Audio В Pioneer DEH-P88RS — DRIVE2

г. перс. год. Включил и предварительно настроил регулировки звукового процессора головного устройства. Поскольку срезами звуковых частот теперь будет.

Схема Акустики И Проводки — Hyundai Accent (2G), 1,5 Л, 2008 Года.
Схема Акустики И Проводки — Hyundai Accent (2G), 1,5 Л, 2008 Года.

Добрый день принесли в ремонт магнитолу, нет выхода по двум каналом, хозяин говорит что пропадали не мразу два, а сначала один через какоето.

PIONEER DEN-P9650 Нужна Распиновка ? | Форум По Ремонту Monitor
PIONEER DEN-P9650 Нужна Распиновка ? | Форум По Ремонту Monitor

Pioneer DEH-P88RS II. Автор: Марк ГАСАНОВКогда: 20 Июл 2008. Весьма популярная. И можно схему резистора с теле. my.petrov.serg@**** от 28 Ноя статья: Коаксиальная акустика «Урал АК74».

Схема Pioneer 88 RS 2
Схема Pioneer 88 RS 2

у меня магнитола стоит PIONEER DEH-P88RS первой версии. проблема в следующем. работало все хорошо. но появился фон. посмотрел предохранитель.

Pioneer DEH-P88RS/P88RS 2. Обсуждение И Эксплуатация - Страница 253
Pioneer DEH-P88RS/P88RS 2. Обсуждение И Эксплуатация - Страница 253

Сервисная инструкция по ремонту автомагнитолы Pioneer DEH-P880PRS/DEH-P80RS/DEH-P88RS. Вышел новый 12-й номер журнала "Ремонт и Сервис. 22.12.2011 - 09:29.

Folderkings29 : Дневник / 209178 / 485424
Folderkings29 : Дневник / 209178 / 485424

г. перс. год. Схема,Service Manual PIONEER Car Audio модель PIONEER DEH-P880PRS, DEH-P80RS, DEH-P88RS.

Мелкий Ремонт Магнитолы Pioneer DEH-P88RS. - YouTube
Мелкий Ремонт Магнитолы Pioneer DEH-P88RS. - YouTube

Максимальная мощность: 200 Вт, форматы воспроизведения: Audio CD, MP3, WMA, AAC, WAV/ Размер: 50 х 178 x 159 мм. Описание CD автомагнитолы Pioneer.

Схема Звука Наглядно — Lada Приора Универсал, 1,6 Л, 2009 Года.
Схема Звука Наглядно — Lada Приора Универсал, 1,6 Л, 2009 Года.

Заменены многие детали, выполнена профилактика. Данный узел полностью отреставрирован, восстановлен монтаж, заменен микрик кнопки OFF. Нами выполнен ремонт.

Хроники Магнитолы - Инсталляция. Alfa Romeo 156. Положение Обязывает
Хроники Магнитолы - Инсталляция. Alfa Romeo 156. Положение Обязывает

г. перс. год. схема PIONEER DEH-P88RS2. Ребята скиньте пожалуйста схемку PIONEER DEH-P88RS 2. В поиске нашел но только ссылки уже не работают

Просмотров: 47 | Добавил: gurlandor | Рейтинг: 0.0/0
Всего комментариев: 0
Меню сайта
Поиск
Вход на сайт
Календарь
«  Январь 2024  »
Пн Вт Ср Чт Пт Сб Вс
1234567
891011121314
15161718192021
22232425262728
293031
Архив записей
Друзья сайта
Статистика

Онлайн всего: 1
Гостей: 1
Пользователей: 0